Нижний Новгород, Россия
Россия
Доля электрогенерирующих мощностей дизель-генераторных установок (ДГУ) в России составляет 12 ГВт, т. е. около 5 % от общей электрогенерации в стране. В малой энергетике нашей страны, особенно в обеспечении электроэнергией регионов, не присоединенных к централизованному электроснабжению, ДГУ являются основными источниками электроэнергии. Исследования по созданию энергоэффективных дизель-генераторных электростанций являются актуальным направлением в малой энергетике. Дизель-генераторные электростанции широко применяются в составе различных технологических объектов, в том числе на водном транспорте. Для повышения эффективности данного типа электростанций за счет снижения расхода углеводородного топлива при производстве электроэнергии был разработан класс ДГУ с принудительным регулированием частоты вращения приводных двигателей внутреннего сгорания. Такие генераторные установки имеют практически неизменный удельный расход топлива, даже в режимах долевой нагрузки, т. е. отличаются высокой энергоэффективностью. Создание подобных электростанций может осуществляться как заново, так и за счет модернизации электростанций уже находящихся в эксплуатации. Отметим, что сегодня большинство работающих дизельных электростанций являются установками постоянной частоты вращения (классического типа) и имеют в своем составе генераторы синхронного типа исполнения. Вместе с тем возможны и альтернативные варианты генераторов в составе данных электростанций, например генераторы асинхронного типа исполнения. Преимущество асинхронной машины с короткозамкнутым ротором заключается в простоте ее конструкции, механической прочности, возможности работать на больших скоростях и низкой стоимости. Использование асинхронной машины в электротехнических комплексах, как правило, связано с двигательным режимом по причине невозможности вырабатывать самостоятельно реактивную мощность. Применение в составе автономных электростанций современных полупроводниковых преобразователей позволяет создавать автономные комплексы генерирования на базе электрических машин асинхронного типа.
дизель-генератор, газогенератор, электростанция, система регулирования, машина двойного питания
Введение
При создании автономной электростанции с генераторами асинхронного типа требуется дополнительно включить в состав оборудования источник реактивной мощности, назначение которого состоит в обеспечении:
– возбуждения асинхронного генератора;
– нагрузки реактивной мощностью.
Данные требования в настоящее время обеспечиваются средствами полупроводниковых преобразовательных устройств, например активных выпрямителей напряжения [1, 2].
Асинхронные дизель-генераторные установки переменной частоты вращения (ДГПЧВ) могут быть реализованы на базе генераторов с короткозамкнутым ротором, а также на основе генераторов с фазным ротором [3].
В первом случае электротехническая часть комплекса генерирования представляет собой силовую структуру по схеме асинхронного генератора с короткозамкнутым ротором (АГКЗ) и преобразователем частоты (ПЧ) в статорной цепи; во втором – асинхронного генератора с фазным ротором (АГФР) и ПЧ в цепи ротора [4].
Вариант с АГФР имеет возможность генерирования энергии в нагрузку через статор и через ротор и ПЧ. Доля мощности у ДГПЧВ с АГФР, которая подвержена искажению, – это роторная часть мощности. Ее величина зависит от технологического диапазона регулирования частоты вращения двигателя внутреннего сгорания (ДВС) и не превышает 30 % от номинальной. Таким образом, к конкурентным преимуществам электростанции с АГФР следует отнести меньшую установленную мощность ПЧ, которая определяется мощностью скольжения и не превышает 1/3 от мощности генератора, в отличие от альтернативных вариантов ДГПЧВ с синхронными машинами или АГКЗ, где мощность ПЧ должна быть равна мощности генератора вне зависимости от глубины регулирования частоты вращения. Также необходимо отметить и меньшие искажения напряжения генерируемой электроэнергии, которые для варианта ДГПЧВ с АГФР связаны только с частью мощности, поступающей в нагрузку через ПЧ.
С учетом вышесказанного предлагается к рассмотрению вариант ДГПЧВ на базе АГФР и ПЧ в роторной цепи. По силовой структуре электротехнической части данный вариант электростанции может быть отнесен к генераторному комплексу по схеме машины двойного питания (МДП).
Принцип работы электростанции
Представлена математическая модель электростанции на базе АГФР с вентильным возбуждением и векторной системой автоматического регулирования напряжения.
Параметры генерируемой электроэнергии стабилизируются с помощью ПЧ в роторной цепи. Выпрямительный блок ПЧ, выполненный по схеме активного выпрямителя напряжения, обеспечивает формирование требуемой (в зависимости от скорости вращения приводного двигателя) частоты тока в роторе генератора, а также его фазы. При этом обеспечивается стабилизация параметров напряжения генерируемой электроэнергии как по частоте, так и по величине соответственно. Одновременно роторный блок ПЧ и емкость в звене постоянного тока реализуют возбуждение автономного асинхронного генератора.
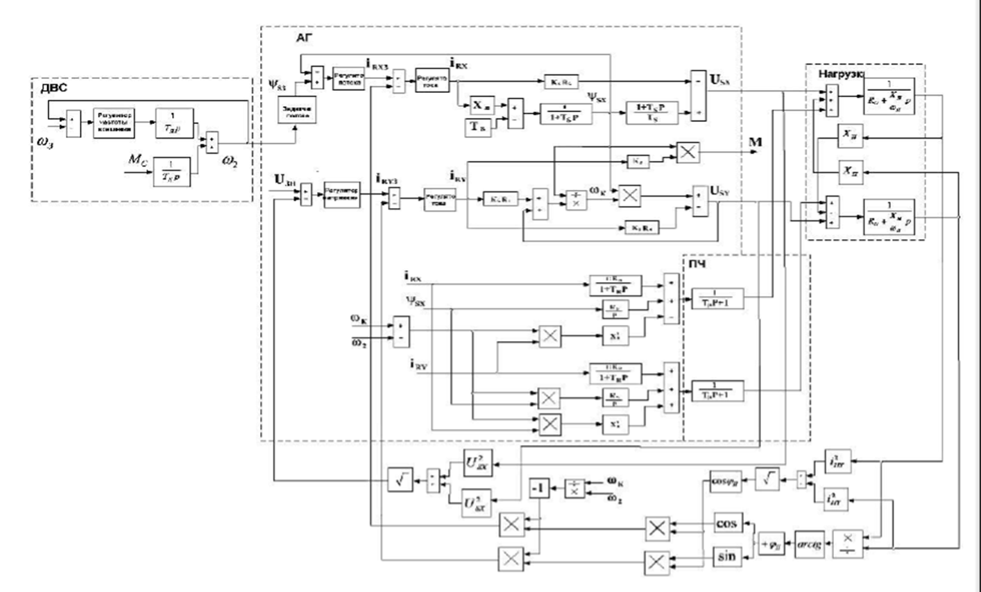
Функциональная схема электростанции представлена на рис. 1, где ДС – датчик скорости вращения генератора; ВП – вычислитель потока статора; ДН – датчик величины напряжения; ПК1, ПК2 – преобразователи координат; И – инвертор; ЗП – задатчик оптимальной величины потока статора; РП – регулятор потока статора; РН – регулятор напряжения; АВ – активный выпрямитель.
Рис. 1. Функциональная схема электростанции на основе машины двойного питания
Fig. 1. Functional diagram of a power plant based on a dual-power machine
Принцип работы электростанции следующий. Двигатель внутреннего сгорания изменяет частоту вращения приводного вала ДВС в зависимости от величины нагрузки на генератор. Расчет энергоэффективной частоты вращения ДВС происходит с помощью задатчика экономичного режима работы, на вход которого поступает информация о величине мощности нагрузки на электростанцию. Система автоматического регулирования поддерживает энергоэффективную частоту вращения ДВС на заданном уровне до следующего изменения нагрузки в сети [5, 6]. Оптимальную величину потокосцепления статора, формируемую задатчиком потока в зависимости от скорости вращения ротора, поддерживает регулятор потока. Поток определяется косвенным образом при помощи вычислителя. Выходной сигнал регулятора потока является задающим для тока ротора по оси x. Величину напряжения статора формирует регулятор напряжения. Выходной сигнал регулятора напряжения является задающим для тока ротора по оси y. Таким образом, реализуется система векторного регулирования напряжения АГФР.
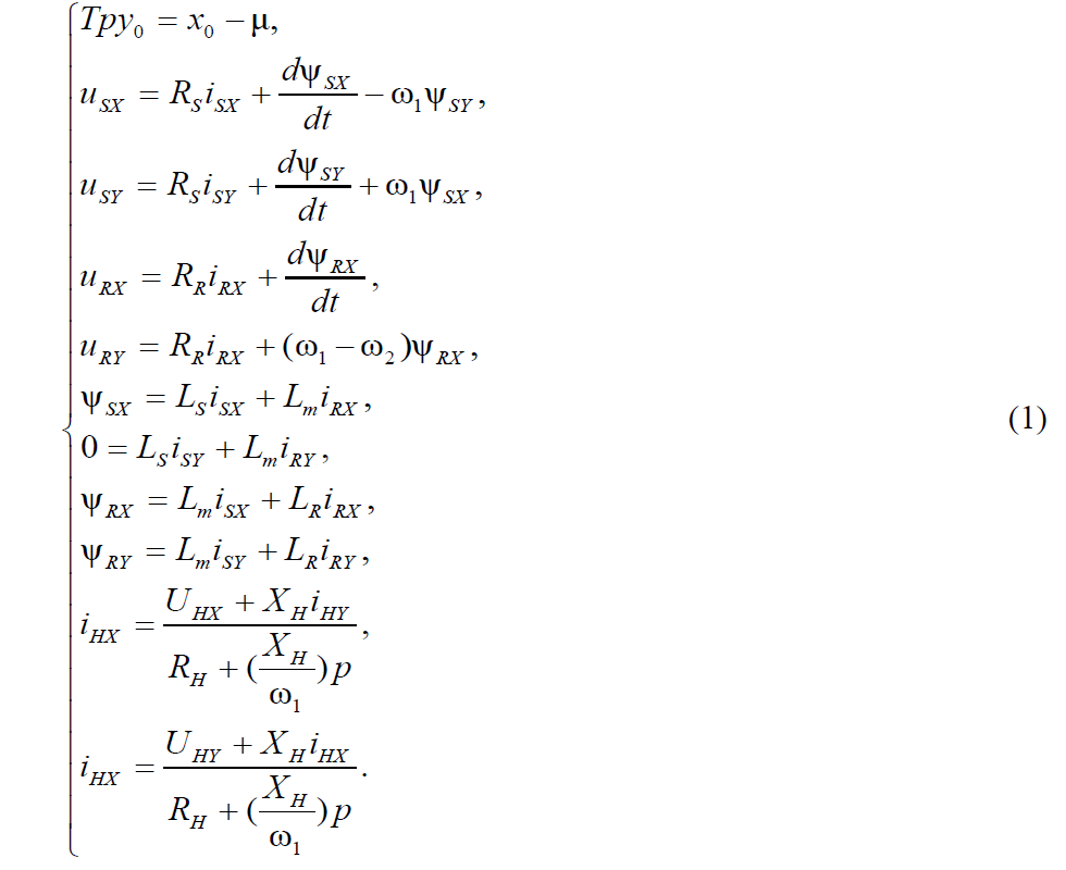
Математическая модель асинхронного генератора
Математическая модель ДГПЧВ на базе МДП состоит из моделей ДВС, АГФР, ПЧ и нагрузки.
Воспользуемся известными из теории ДВС и электрических машин выражениями для записи единой системы уравнений электростанции [7]. С целью уменьшения числа перекрестных связей в структурной схеме ДГПЧВ на основе МДП и упрощения математических выражений для электромагнитного момента и частоты вращения системы координат целесообразно представить запись уравнений генератора в ортогональной системе координат, вращающейся в пространстве с синхронной скоростью, и при этом выбрать потокосцепление статора в качестве опорного вектора.
В результате:
В системе (1) первое уравнение является уравнением ДВС (без турбонаддува), работу АГФР описывают уравнения от второго до девятого, десятое и одиннадцатое учитывают изменение параметров нагрузки. Обозначения в системе (1) являются общепринятыми и в тексте статьи не приведены.
Для реализации векторного регулирования напряжения АГФР ориентируем систему координат таким образом, чтобы вектор потока статора совпадал с осью x. После преобразований получаем следующие выражения:
– для потокосцепления статора:

– для частоты вращения системы координат:

где
и
– безразмерные коэффициенты.
Таким образом, проекция вектора тока ротора по оси x определяет значение потокосцепления статора согласно (2), а проекция вектора тока ротора по оси y – величину напряжения в статоре машины согласно (3).
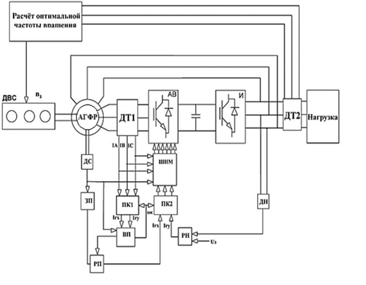
На рис. 2. представлена структурная схема электростанции, разработанная согласно математической модели ДГПЧВ на основе АГФР.
Имитационный эксперимент динамических режимов работы ДГПЧВ на основе МДП представлен на рис. 3–5. Он состоит из подключения 100 % нагрузки к электростанции на 11-й секунде. Заранее на 10-й секунде осуществляется увеличение частоты вращения ДВС. Результаты эксперимента подтвердили стабилизацию напряжения в автономной сети и допустимые, согласно Правилам Российского морского регистра судоходства, провалы величины напряжения.
Основные параметры асинхронного генератора: S = 200 кВА; h = 0,94; U = 380 В; IН = 284 A; nН = 1 500 об/мин.
Предлагаемый к рассмотрению вариант асинхронной дизель-генераторной электростанции переменной частоты вращения отличается рядом конкурентных преимуществ перед альтернативными вариантами с синхронными генераторами или АГКЗ.
Во-первых: установленная мощность ПЧ в роторной цепи, равная мощности скольжения АГФР, с учетом технологически оптимального диапазона регулирования скорости ДВС не превышает 1/3 мощности генератора, т. е. в 3 раза меньше, чем мощность ПЧ в других вариантах [1, 5].

Рис. 2. Структурная схема электростанции на основе машины двойного питания
Fig. 2. Structural diagram of a power plant based on a dual-power machine

Рис. 3. Временная зависимость изменения амплитуды напряжения U1(t) при изменении скорости вращения и подключении нагрузки
Fig. 3. Time dependence of the change in the voltage amplitude U1(t) when the rotation speed changes and the load is connected
Рис. 4. Временная зависимость изменения нагрузки S(t) на генератор
Fig. 4. Time dependence of the load change S(t) on the generator
Рис. 5. Временная зависимость изменения скорости вращения ω(t) ротора генератора
Fig. 5. Time dependence of the change in the rotation speed ω(t) of the generator rotor
Во-вторых: генерируемая мощность ДГПЧВ на основе МДП лишь частично по каналу «ротор – ПЧ – нагрузка» подвергается искажению, в отличие от искажения полной мощности для альтернативных вариантов ДГПЧВ с ПЧ в статоре.
С учетом сказанного можно предполагать, что ДГПЧВ на основе МДП целесообразно использовать в составе энергоэффективных технологических комплексов, в том числе и на судах морского и речного флота. К данным комплексам на судах, в первую очередь, относятся генераторные агрегаты судовой электростанции, а также валогенераторные установки и другие генераторные системы отбора мощности.
Заключение
Предложенная в настоящей статье концепция построения дизель-генераторной электростанции по схеме МДП, а также рассмотренные авторами альтернативные варианты электростанций на основе синхронных и асинхронных с короткозамкнутым ротором генераторов могут быть использованы при разработке и создании газогенераторных электростанций. В настоящее время интерес к газовым комплексам генерации, которые отличаются хорошей надежностью, экологичностью и невысокой стоимостью топлива, подтверждается на практике. Очевидно, что повышение энергоэффективности газогенераторных электростанций является перспективным и актуальным.
1. Хватов О. С. Электротехнические генераторные комплексы переменной частоты вращения на основе машины двойного питания: моногр. Н. Новгород: Изд-во ВГУВТ, 2015. 276 c.
2. Виноградов А. Б. Автономная станция электроснабжения на основе асинхронного генератора с КЗ ротором и преобразователем частоты малой мощности: сб. тр. XI Междунар. (XXII Всерос.) конф. по автоматизированному электроприводу (АЭП) 2020 (Санкт-Петербург, 04–07 октября 2020 г.). СПб.: Изд-во НИУ ИТМО, 2021. С. 80–86.
3. Виноградов А. Б., Горелкин Р. О. Автономная станция электроснабжения на основе асинхронного генератора с фазным ротором и преобразователя частоты малой мощности // Вестн. Иванов. гос. энергет. ун-та. 2023. № 3. С. 63–69.
4. Хватов О. С., Тарпанов И. А. Сравнительный анализ энергетических показателей судовой электростанции на базе классических дизель-генераторных установок и электростанции с дизель-генераторной установкой переменной частоты вращения // Вестн. Астрахан. гос. техн. ун-та. Сер.: Морская техника и технологии. 2022. № 1. С. 79–84.
5. Хватов О. С., Тарпанов И. А., Билялетдинов Т. З. Автономная дизель-генераторная электростанция на основе асинхронного генератора с вентильным возбуждением и системой автоматического регулирования напряжения с векторным управлением // Интеллектуал. электротехника. 2024. № 3 (19). С. 19–31.
6. Хватов О. С., Тарпанов И. А., Кобяков Д. С. Дизель-генераторная электростанция с вентильным генератором по схеме машины двойного питания // Вестн. Астрахан. гос. техн. ун-та. Сер.: Морская техника и технология. 2020. № 3. С. 82–90.
7. Khvatov O. S., Dar’enkov A. B. Uniform power station of a transport unit with electric propulsion based on a diesel generator of varying rotation frequency // Russian Electrical Engineering. 2016. V. 87. Iss. 3. P. 150–155. DOIhttps://doi.org/10.3103/S1068371216030044.



