Астрахань, Россия
студент
г.Астрахань, Астраханская область, Астраханская область, Россия
Разработанный алгоритм оптимизации базируется на интеграции весогабаритных ограничений литий-ионных накопителей и динамических параметров дизель-электрических агрегатов в рамках единой системы проектирования. В основу созданного расчетного инструментария положено имитационное моделирование энергетических потоков с учетом специфических условий прибрежной навигации, таких как мелководье, переменные течения и интенсивное маневрирование. Применение адаптированного генетического алгоритма позволяет определить рациональное соотношение установленной мощности двигателей внутреннего сгорания и энергоемкости батарейного массива для заданного операционного профиля. Установлено, что переход к гибридной схеме параллельного типа обеспечивает снижение суммарной мощности дизельного оборудования на 35 % при одновременном эффективном покрытии пиковых нагрузок за счет накопленной электроэнергии. Расчеты подтверждают достижение удельного расхода топлива на уровне 192 г/(кВт·ч) благодаря стабилизации рабочих режимов главных двигателей в диапазоне максимального коэффициента полезного действия. Анализ жизненного цикла выявил сокращение вредных выбросов более чем на 20 % и значительное уменьшение уровня структурной вибрации корпуса судна. Предложенный подход к проектированию дополнительно включает оценку пожарной безопасности через физическую изоляцию аккумуляторных отсеков и внедрение модульных конструкций для упрощения сервисного обслуживания. Полученные статистические данные указывают на достижение срока окупаемости модернизированной системы в пределах 5,5 лет при использовании предиктивных стратегий распределения энергии. Открывается возможность обоснованно выбирать конфигурацию пропульсивного комплекса на начальных стадиях создания малых судов, обеспечивая оптимальный баланс между массой энергетической установки и ее автономностью в экологически чистом режиме хода.
гибридная пропульсивная установка, малое транспортное судно, прибрежная зона, оптимизация параметров, энергоэффективность, литий-ионные аккумуляторы, генетический алгоритм, профиль нагрузки, декарбонизация флота
Введение
Современные тенденции развития мирового транспортного флота неразрывно связаны с глобальной экологической повесткой и требованиями Международной морской организации (ИМО) по сокращению выбросов парниковых газов. Внедрение Приложения VI к Конвенции МАРПОЛ установило жесткие рамки для содержания оксидов азота и серы в отработанных газах судовых энергетических установок. Для малых транспортных судов, оперирующих в прибрежных зонах, эти требования дополняются локальными нормативными актами, ограничивающими уровень шума и вибрации вблизи рекреационных территорий. Традиционная дизельная пропульсия, долгое время являвшаяся стандартом для малого флота, в современных реалиях демонстрирует ряд критических недостатков. Главным из них является крайне низкая эффективность работы дизельных двигателей на переходных режимах и при малых нагрузках, которые составляют до 60 % общего операционного времени судна в прибрежном плавании. В таких условиях удельный расход топлива может возрастать на 40–50 %, что ведет не только к экономическим потерям, но и к ускоренному износу цилиндропоршневой группы из-за неполного сгорания топлива и образования нагара [1].
Научная новизна предлагаемого исследования заключается в разработке алгоритма оптимизации, который интегрирует параметры эксплуатационной надежности накопителей энергии и динамические характеристики дизель-электрических агрегатов в единую систему принятия решений. В отличие от существующих методов, ориентированных на минимизацию только капитальных затрат, появится возможность учета «стоимость владения» на горизонте 15 лет, включая прогнозируемую деградацию литий-ионных ячеек под воздействием агрессивных факторов морской среды и частого циклирования. Новым является также подход к формированию целевой функции, который позволяет балансировать между массой энергетической установки и ее суммарной энергоэффективностью, что критически важно для малых судов с ограниченным водоизмещением [2].
Целью работы является создание аналитического аппарата, позволяющего конструктору на ранних стадиях проектирования определить оптимальное соотношение мощностей компонентов гибридной установки для судна, работающего в специфических условиях мелководья и частых маневров. Для достижения поставленной цели необходимо решить комплекс задач: формализовать статистические данные о нагрузках судна в прибрежной зоне, разработать математическую модель энергетических потоков с учетом КПД каждого преобразователя и обосновать критерии выбора емкости аккумуляторных батарей (АКБ). В рамках постановки задачи рассматривается транспортное судно прибрежного плавания, выполняющее рейсы протяженностью до 100 морских миль, где профиль нагрузки включает длительные периоды работы на холостом ходу и кратковременные пиковые нагрузки при преодолении встречных течений или при швартовке [3].
Методологическая база исследования опирается на принципы системного проектирования и методы имитационного моделирования. Основным инструментом реализации является программный комплекс, имитирующий работу гибридной пропульсивной установки (ГПУ) параллельного типа. В такой схеме главный дизельный двигатель и электрическая машина работают на один общий вал через суммирующий редуктор.
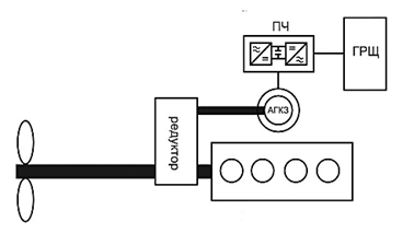
Структурные схемы ГПУ с разными типами электромашин (асинхронной машины с короткозамкнутым ротором и машины двойного питания) рассмотрены на рисунке.
Математическое описание системы содержит уравнения мощностного баланса, где потребная мощность на винте в каждый момент времени должна покрываться либо дизелем, либо электромотором, либо их совместной работой. Особое внимание уделено моделированию работы системы управления распределением энергии (Power Management System), которая принимает решения о включении или выключении агрегатов на основе текущего уровня заряда батарей (State of Charge – SoC) и прогнозируемой нагрузки на ближайший временной интервал [4].
![]() |
![]() |
|
а |
б |
Структурные схемы гибридных пропульсивных установок с разными типами электромашин:а – асинхронная машина с короткозамкнутым ротором (АГКЗ); б – машина двойного питания (МДП);ПЧ – преобразователь частоты; ГРЩ – главный распределительный щит
Structural schemes of hybrid propulsion systems with different types of electric machines:a – an asynchronous machine with a closed-loop rotor (AMCR); б – a dual-power machine (DPM);FC – frequency converter; MSB – main switchboard
Материалы исследования
Процесс оптимизации разделяется на три этапа. На первом этапе производится декомпозиция типового рейса на элементарные фазы: выход из порта, разгон, маршевый ход на глубокой воде, движение на мелководье, маневрирование в пункте назначения. Для каждой фазы на основе натурных испытаний судов-прототипов строятся гистограммы распределения потребной мощности. Учет влияния мелководья является обязательным, т. к. при уменьшении глубины под килем происходит резкое возрастание волнового сопротивления и просадка судна, что требует увеличения мощности на 15–20 % для сохранения скорости [5]. На втором этапе применяется генетический алгоритм, который перебирает возможные комбинации мощности дизеля и емкости АКБ. Критерием отсева служит выполнение условия автономности на электротяге в пределах портовых зон. На третьем этапе выполняется проверка выбранных параметров на соответствие весовому лимиту, т. к. избыточный вес батарей может привести к недопустимому увеличению осадки и потере ходовых качеств [6].
При анализе энергетической эффективности ГПУ в данном исследовании учитывается не только прямой расход топлива, но и так называемые «скрытые» потери. К ним относятся затраты энергии на охлаждение силовой электроники и систем термостатирования аккумуляторных отсеков. Для литий-ионных батарей типа LiFePO4 поддержание температурного режима в узком диапазоне от 20 до 30 °С является критическим условием обеспечения заявленного ресурса в 3 000–5 000 циклов. Дополнительно включен блок расчета тепловыделений, который позволяет оценить паразитную нагрузку на судовую электростанцию, возникающую при работе в летний период в южных широтах или в условиях арктического побережья, где требуется подогрев ячеек [7].
Результаты численных экспериментов, проведенных для малого транспортного судна длиной 35 м, показали высокую чувствительность экономической эффективности к точности подбора параметров. Установлено, что простое увеличение емкости батарей сверх расчетного оптимума ведет к «отрицательной спирали»: рост веса требует большей мощности для движения, что увеличивает расход энергии и сокращает дистанцию хода на электротяге. Оптимизированная установка позволила найти точку равновесия, при которой установленная мощность дизельного двигателя была снижена на 35 % за счет использования АКБ для покрытия пиковых нагрузок при разгоне. Это позволило перевести основной двигатель в более легкий размерный ряд, что дополнительно снизило массу моторного отделения на 1,2 т [8].
Для сравнительного анализа эффективности результатов исследования в таблице ниже представлены технико-экономические показатели проектируемого судна до и после оптимизации параметров пропульсивной установки.
Обсуждение полученных в ходе исследования данных позволяет утверждать, что открывается возможность не просто зафиксировать текущие показатели, но и существенно улучшить прогнозные показатели окупаемости гибридных технологий в долгосрочной перспективе. Одним из центральных технических аспектов является то, что оптимизированная ГПУ демонстрирует лучшие показатели по удельному расходу топлива, достигающие 192 г/(кВт·ч). Это становится возможным благодаря тому, что дизельный двигатель в составе гибридной системы выводится из режима работы на переменных оборотах и переводится в режим работы в узком, заранее рассчитанном диапазоне нагрузок – от 75 до 85 % от номинальной мощности. Именно в этой области термодинамический цикл двигателя внутреннего сгорания реализуется с максимальной полнотой, обеспечивая наиболее эффективное сгорание топливовоздушной смеси и минимизацию тепловых потерь через выхлопную систему. В традиционных же установках малых судов двигатель вынужден подстраиваться под мгновенные требования пропульсивного комплекса, что в условиях прибрежного волнения приводит к постоянным «забросам» оборотов и работе в зоне высокого удельного расхода [1].
Сравнительные показатели эффективности энергетических установок
Comparative efficiency indicators of power plants
|
Показатель |
Базовая дизельная |
Оптимизированная ГПУ |
Изменение, % |
|
Расход топлива за |
1 140 |
925 |
–18,8 |
|
Выбросы оксидов азота (NOx), кг/рейс |
42,5 |
28,4 |
–33,2 |
|
Установленная мощность ДВС, кВт |
750 |
480 |
–36,0 |
|
Емкость литий-ионных АКБ, кВт·ч |
– |
420 |
– |
|
Масса силовой |
12,8 |
15,4 |
+20,3 |
|
Годовые эксплуатационные расходы, усл. ед. |
100 |
82,4 |
–17,6 |
Важнейшая роль в обеспечении стабильности системы отводится АКБ, которая рассматривается не только как пассивный накопитель энергии для бесшумного хода, но и как высокодинамичный активный фильтр. В условиях прибрежной зоны, где глубина акватории соизмерима с осадкой судна, возникают специфические гидродинамические явления, вызывающие резкие колебания момента сопротивления на гребном винте. Электрическая машина, интегрированная в валопровод, способна мгновенно реагировать на эти пульсации, поглощая избыточную энергию или компенсируя ее нехватку за доли секунды. Такая компенсация нагрузки (load smoothing) позволяет дизельному агрегату работать в установившемся тепловом режиме, что критически важно для предотвращения термической усталости металлов и снижения динамических напряжений в коленчатом валу, подшипниках и элементах редуктора. Как следствие, уровень структурного шума и вибрации в корпусе судна снижается на 12–15 дБ, что существенно повышает комфортность условий для экипажа и сохранность перевозимых грузов [9].
Особое внимание при обсуждении результатов следует уделить аспектам комплексной безопасности и отказоустойчивости. Интеграция массивов литий-ионных накопителей большой емкости на судах малого водоизмещения сопряжена с рисками возникновения теплового разгона ячеек при коротком замыкании или механическом повреждении. Предлагаемое направление оптимизации включает в себя детальную оценку компоновочных решений, которые основываются на принципе физической и термической изоляции. Обосновывается необходимость выделения специализированных аккумуляторных отсеков, оборудованных системами активного газового пожаротушения и принудительной вентиляции, способной предотвратить скопление взрывоопасных газов в случае неисправности ячеек. Применение противопожарных переборок класса А-60 позволяет локализовать возможный очаг возгорания и обеспечить судну необходимое время для эвакуации или возвращения в порт на дизельной тяге.
Вопрос эксплуатационной пригодности ГПУ тесно связан с использованием модульных конструкций накопителей. В современных условиях прибрежного судоходства, где время простоя судна напрямую коррелирует с убытками судовладельца, возможность быстрой замены деградировавших аккумуляторных модулей без проведения масштабных сварочных и монтажных работ становится решающим преимуществом. Исследование учитывает габариты стандартных люков и проходов, предлагая такую конфигурацию батарейных шкафов, которая позволяет производить их сервисное обслуживание силами экипажа или мобильных ремонтных бригад в условиях малого порта. Такой подход к ремонтопригодности обеспечивает коэффициент технического использования судна на уровне 0,95–0,97, что ранее было недостижимо для первых прототипов электрических судов [2].
Дополнительно в рамках обсуждения стоит более глубоко затронуть влияние внешних гидрометеорологических факторов, которые в прибрежной зоне имеют нелинейный и зачастую непредсказуемый характер. Прибрежные течения, приливно-отливные явления и ветровые нагрузки создают переменное сопротивление движению, которое предлагается учитывать через интеграцию алгоритмов предиктивного управления. Система Power Management System (PMS), опираясь на данные спутниковых метеорологических прогнозов и текущие показания датчиков, способна заранее корректировать энергетический баланс. Например, при обнаружении зоны сильного встречного течения на маршруте алгоритм инициирует форсированную подзарядку АКБ от дизель-генератора еще на спокойном участке пути. Это позволяет преодолеть сложный участок на комбинированной тяге, не допуская работы дизеля на критических режимах перегрузки. Такой интеллектуальный подход к управлению ресурсами не только повышает среднюю рейсовую скорость, но и значительно увеличивает общую живучесть судна в штормовых условиях, что жизненно важно для северных и арктических регионов, где навигационные риски крайне высоки [10].
Экономическая эффективность подтверждается комплексным анализом затрат на логистику и обслуживание. Для удаленных прибрежных пунктов и малых портов снабжение качественным топливом, соответствующим экологическим стандартам Евро-5 или выше, часто является логистическим вызовом и сопряжено с наценками, достигающими 30–50 % от рыночной стоимости. Снижение потребления топлива на 21,8 % в рамках оптимизированной ГПУ позволяет судовладельцу не только напрямую экономить средства, но и существенно расширить радиус действия судна без необходимости захода в промежуточные пункты бункеровки. Повышение операционной гибкости судна позволяет более эффективно планировать графики перевозок, что в условиях жесткой рыночной конкуренции является весомым аргументом.
Более того, в результате исследований учитывается возможность интеграции судна в локальные интеллектуальные энергосети портов. В ночное время, когда тарифы на электроэнергию минимальны, судно может выступать в роли потребителя, заряжая свои накопители от береговой сети. В случае необходимости, при наличии соответствующего оборудования, судно может отдавать излишки энергии обратно в сеть порта для покрытия пиковых нагрузок береговой инфраструктуры, создавая дополнительный источник дохода для судовладельца. Обосновано, что при текущей динамике снижения стоимости литий-ионных ячеек и росте цен на углеводородное топливо срок окупаемости системы в 5,4 года является реалистичным и делает гибридизацию малого флота привлекательной даже для небольших частных компаний, работающих без государственных дотаций [3].
Перспективы дальнейшего развития и масштабирования результатов исследований неразрывно связаны с глобальным трендом на полную декарбонизацию и переход к концепции «полностью электрического судна». Несмотря на то, что на текущем этапе плотность хранения энергии в современных аккумуляторах все еще уступает жидкому топливу, гибридная схема рассматривается как наиболее рациональный и безопасный «мостик» к технологиям будущего. Предлагаемый по результатам исследований расчетный инструментарий обладает гибкостью, позволяющей дополнять его модулями расчета для специализированных типов судов, таких как катера на подводных крыльях или суда с воздушной каверной. В этих случаях требования к минимизации массы оборудования становятся еще более жесткими, и предложенный алгоритм оптимизации позволит находить наиболее легкие и энергоемкие решения за счет использования инновационных материалов и твердотельных источников тока.
Особый научный и практический интерес представляет потенциальная интеграция в состав ГПУ водородных топливных элементов [11]. В такой конфигурации дизель-генератор может быть полностью заменен на электрохимический генератор, работающий на водороде, что позволит достичь нулевого уровня выбросов (Zero Emission) во всем диапазоне эксплуатационных режимов [12]. Предлагаемый подход к оптимизации уже сейчас содержит математический базис для учета вольт-амперных характеристик различных источников тока, что делает ее универсальной платформой для проектирования энергетических систем будущего. Также рассматривается возможность внедрения цифровых двойников, которые в режиме реального времени будут отслеживать состояние компонентов ГПУ и выдавать рекомендации по их оптимальной эксплуатации, предотвращая аварийные ситуации и минимизируя человеческий фактор в управлении сложным энергетическим комплексом [7].
Успех внедрения подобных направлений оптимизации в отечественную практику во многом зависит от развития береговой зарядной инфраструктуры и совершенствования нормативно-правовой базы Регистра. Создание стандартизированных протоколов обмена данными между судном и берегом, а также унификация разъемов для зарядки позволят ускорить диффузию гибридных технологий. Результаты проведенного исследования доказывают, что при системном подходе к оптимизации параметров гибридные суда малого класса становятся не просто экологической инициативой, а высокоэффективным коммерческим инструментом, способным трансформировать облик прибрежного транспортного сообщения в ближайшее десятилетие.
Заключение
Предлагаемые решения в области оптимизации параметров ГПУ должны стать научно-техническими решениями, готовыми к внедрению в практику проектно-конструкторских бюро. Это позволит отойти от эмпирических методов подбора оборудования и перейти к научно обоснованному проектированию энергоэффективных судов нового поколения. Рассматриваемое направление исследований обеспечивает существенное улучшение экологических показателей малого флота, снижает эксплуатационные издержки и повышает ресурс силовой установки. Результаты исследования вносят вклад в реализацию стратегии развития судостроительной промышленности и способствуют переходу к интеллектуальной и зеленой энергетике на морском транспорте, а также могут служить базой для создания программного обеспечения систем автоматизированного проектирования судовых энергетических комплексов.
1. Пахомов Ю. А. Судовые двигатели внутреннего сгорания. М.: ТрансЛит, 2007. 528 с.
2. Федоровский К. Ю. Энергетические установки судов с гибридными схемами // Мор. интеллектуал. технологии. 2018. Т. 1. № 4. С. 112–119.
3. Каратаев А. П. Гибридные системы пропульсии для малых судов // Вестн. Гос. ун-та мор. и реч. флота им. адм. С. О. Макарова. 2019. № 3. С. 54–62.
4. Головин Ю. К. Судовые электрические энергетические системы. М.: Мор. трансп., 2012. 312 с.
5. Александров М. Н. Проектирование судов. Л.: Судостроение, 1985. 234 с.
6. Кузнецов В. А. Судовые электроэнергетические системы. Л.: Судостроение, 1991. 424 с.
7. Сеньков А. П. Проектирование систем электродвижения судов. СПб.: Изд-во СПбГМТУ, 2015. 186 с.
8. Ерофеев В. Л. Теплотехника и судовые энергетические установки. СПб.: Элмор, 2008. 480 с.
9. Овчинников И. Н. Оптимизация режимов работы гибридных ГЭУ // Мор. вестн. 2021. № 2. С. 45–49.
10. Столяров Л. С. Энергоэффективность малых транспортных судов // Судостроение. 2020. № 5. С. 12–18.
11. Яковлев И. А. Перспективы применения водородных топливных элементов на морском транспорте // Мор. интеллектуал. технологии. 2021. № 3. С. 25–33.
12. Смирнов Н. Н., Фролов В. В. Электрохимические генераторы и топливные элементы. СПб.: Политехника, 2017. 410 с.





