Russian Federation
Russian Federation
UDC 547.54
The paper presents a simulation of a para-toluenesulfonic acid (p-toluenesulfonic acid) production unit based on the sulfonation of toluene with concentrated sulfuric acid. A process flow diagram for a batch process with a capacity of 200 t/y (as p-toluenesulfonic acid monohydrate) was developed, featuring closed recycle loops for toluene and sulfuric acid and aimed at pilot-scale and small-tonnage implementation with reduced consumption of fresh reagents. The model was implemented in Aspen Plus using the electrolyte thermodynamic property package ELECNRTL, which enables an adequate description of the thermodynamic properties and phase equilibria of the highly non-ideal “water – sulfuric acid – organic phase” system at high electrolyte concentrations. The component list includes toluene, water, and sulfuric acid as base components, while o- and p-toluenesulfonic acids were defined as user-added compounds. The synthesis stage was represented by a stoichiometric reactor accounting for the formation of an isomeric mixture; this was followed by sequential cooling and phase separation with toluene recycle to the loop, adjustment of sulfuric acid concentration to a range ensuring hydrate precipitation, and crystallization of p-toluenesulfonic acid monohydrate with subsequent filtration and washing of the crystals with a sulfuric acid solution to remove dissolved isomeric impurities from the product. After filtration, the mother liquors are sent to a regeneration section that includes hydrolysis of residual sulfonic acids to toluene and sulfuric acid, phase separation, and concentration of sulfuric acid with recycle of the regenerated streams back to the synthesis stage. A material balance was calculated for one production cycle, and production of the target product with a mass fraction of 98.9 wt% p-toluenesulfonic acid monohydrate was achieved.
p-toluenesulfonic acid, modeling, toluene sulfonation, Aspen Plus, material balance
Введение
Пара-толуолсульфокислота (п-ТСК) относится к числу наиболее востребованных сильных органических кислот, применяемых в качестве катализатора и реагента в широком спектре процессов органического синтеза. Вещество представляет собой устойчивый твердый кристаллический гидрат, который характеризуется низкой летучестью и технологическим удобством обращения, что упрощает дозирование, отделение от реакционных сред и последующую регенерацию. По кислотности п-ТСК существенно превосходит ароматические карбоновые кислоты, при этом, в отличие от ряда минеральных кислот, не проявляет окислительных свойств, что снижает риск побочных превращений [1]. Совокупность указанных свойств определяет ее применение как в классических кислотно-катализируемых превращениях, так и в конденсациях с циклизацией при построении гетероциклических систем, а также в реакциях формирования C–C-связей [2].
В рамках нацпроекта «Новые материалы и химия» п-ТСК фигурирует в составе производственной цепочки «ацетилен, бутандиол, производные МАН». Такое включение указывает на ее роль как опорного промежуточного реагента, востребованного в ряде ключевых направлений химического производства в России. Одновременно это отражает ориентацию федерального проекта на импортозамещение и формирование замкнутых технологических контуров.
Промышленное получение п-ТСК основано на реакции сульфирования толуола, при которой в качестве сульфирующего агента могут использоваться концентрированная серная кислота, олеум, триоксид серы и другие реагенты, приводящие к образованию смеси изомерных толуолсульфокислот с последующим выделением и очисткой целевого пара-изомера. В статье в качестве базового варианта синтеза рассматривается система «толуол – серная кислота», поскольку она опирается на доступное и массовое сырье, не требует обращения с высокореакционноспособными и более опасными агентами – свободный SO3 или хлорсульфоновая кислота, а также позволяет реализовать процесс в аппаратурном оформлении, характерном для отечественных производственных площадок.
Целью статьи является разработка модели синтеза п-ТСК для расчета материального баланса процесса.
Описание модели синтеза п-толуолсульфокислоты
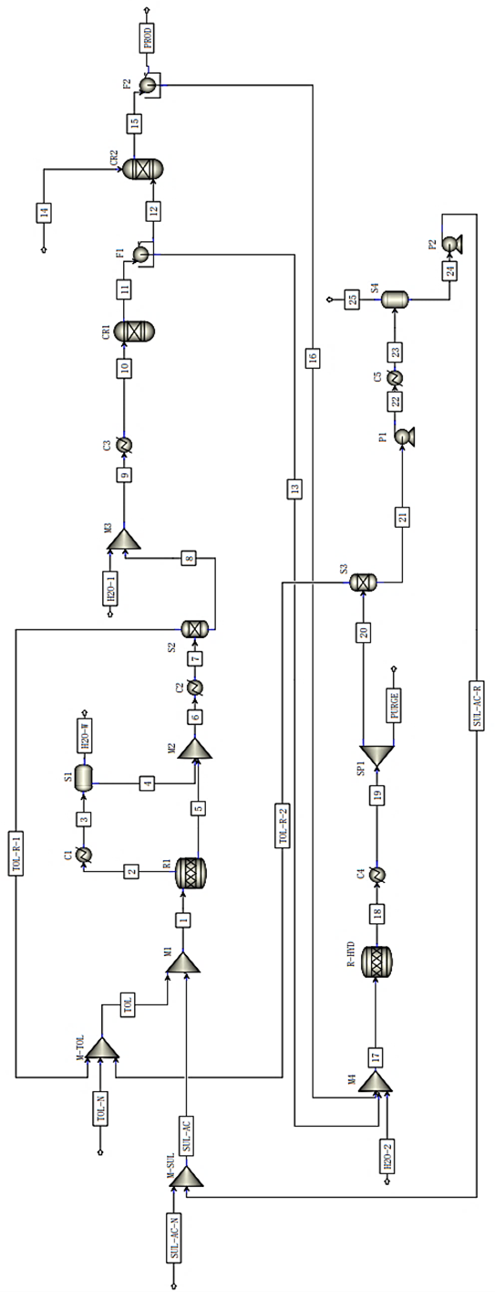
Производительность для расчетной модели выбиралась исходя из назначения технологии, как пилотной периодической установки, предназначенной для отработки режимов синтеза и стадий разделения, проверки устойчивости рециклов по толуолу и серной кислоте, а также оценки образования и обращения с маточными растворами. В качестве целевого ориентира принята производительность 200 т/год по п-ТСК (в форме моногидрата), что соответствует реалистичному уровню малотоннажного выпуска и при этом позволяет применять аппаратурные решения, сопоставимые с промышленной практикой кристаллизации и фильтрации. Производительность была приведена к выпуску на один производственный цикл (606 кг/цикл), данный цикл принят равным 24 часам. Полученные в модели расходы обозначены как средние значения за партию и представлены в «кг/цикл» для периодического процесса. На рисунке отображена технологическая схема получения п-ТСК.

Модель синтеза и очистки п-толуолсульфокислоты в Aspen Plus: M-SUL – смеситель свежей и регенерированной серной кислоты;
M-TOL – смеситель свежего и возвратного толуола; R1 – реактор сульфирования; C1-C3 – холодильники; S1-S3 – сепараторы; M1-M4 – смесители технологический потоков; CR1 – кристаллизатор для выделения моногидрата п-ТСК; CR2 – аппарат для промывки кристаллов; F1 и F2 – фильтры;
R-HYD – реактор гидролиза остаточных сульфокислот; SP1 – делитель потока; P1 и P2 – насосы; С4 и S4 – узел концентрирования серной кислоты (отгон воды);
SUL-AC-N – свежий поток серной кислоты (94 масс. % H2SO4); TOL-N – свежий поток толуола; H2O-1 – вода для регулирования концентрации серной кислоты
перед стадией кристаллизации; SUL-AC-F – промывной раствор серной кислоты (80 масс. % H2SO4); H2O-2 – вода для гидролиза сульфокислот;
H2O-OUT-1 – водный конденсат, образующийся при отгонке воды в реакционном узле; PROD – продуктовый поток;
H2O-OUT-2 – вода, удаляемая при вакуумном концентрировании серной кислоты; IMP – отводимый поток из контура для удаления накопленных примесей;
TOL-R-1 и TOL-R-2 – потоки рецикла толуола; SUL-AC-R – поток рецикла серной кислоты; 1–22 – промежуточные потоки
Model of synthesis and purification of p-toluene sulfonic acid in Aspen Plus: M-SUL – mixer of fresh and regenerated sulfuric acid; M-TOL – mixer of fresh and returnable
toluene; R1 – sulfonation reactor; C1-C3 – refrigerators; S1-S3 – separators; M1-M4 – process flow mixers; CR1 is a crystallizer for the isolation of p-toluenesulfonic acid
monohydrate; CR2 – crystal washing machine; F1 and F2 – filters; R-HYD – reactor for hydrolysis of residual sulfonic acids; SP1 – flow divider; P1 and P2 – pumps;
C4 and S4 – sulfuric acid concentration unit (water distillation); SUL-AC-N is a fresh stream of sulfuric acid (94 wt. % H2SO4); TOL-N – fresh toluene stream;
H2O-1 is water for regulating the concentration of sulfuric acid before the crystallization stage; SUL-AC-F is a sulfuric acid washing solution (80 wt. % H2SO4);
H2O-2 – water for hydrolysis of sulfonic acids; H2O-OUT-1 is an aqueous condensate formed during the distillation of water in the reaction unit; PROD – product stream;
H2O-OUT-2 – water removed during vacuum concentration of sulfuric acid; IMP – diverted flow from the circuit to remove accumulated impurities;
TOL-R-1 and TOL-R-2 are toluene recycling streams; SUL-AC-R is sulfuric acid recycling stream; 1–22 – intermediate streams
Процесс включает стадию сульфирования толуола серной кислотой при повышенной температуре в присутствии избытка толуола, охлаждение и фазовое разделение, кристаллизацию п-ТСК в форме моногидрата, фильтрацию и промывку осадка раствором серной кислоты, а также блок регенерации маточных растворов с возвратом толуола и серной кислоты в схему.
Выбор термодинамического пакета в Aspen Plus определялся тем, что рабочая среда представляет собой сильно неидеальную смесь «вода – серная кислота» с высоким содержанием электролита, в контакте с органической фазой (толуол) и растворенными органическими кислотами (о- и п-толуолсульфокислотами). Для корректного описания активности компонентов, распределения между органической и кислотной фазами, а также свойств концентрированных растворов серной кислоты, предпочтительны электролитные модели. В исследовании использован пакет ELECNRTL как наиболее уместный компромисс между физической обоснованностью и доступностью параметров для систем «серная кислота – вода». Компонентный состав модели включает толуол, воду и серную кислоту как базовые библиотечные компоненты, а о- и п-толуолсульфокислоты введены как пользовательские «conventional» компоненты.
Условия стадии синтеза (температурный интервал и соотношения реагентов, а также селективности по пара- и орто-изомеру) были приняты по патенту [3], в котором сульфирование ведут при 105–115 °C в присутствии избытка толуола, указывают мольное соотношение толуола и серной кислоты в интервале порядка 1,5–3. Из-за сложности кинетики сульфирования толуола синтез задан через стехиометрический реактор RStoic.
В части технологической логики выделения и обращения с маточными растворами использованы принципы, описанные в патенте [4], где п-ТСК получают в виде гидрата, промывают кристаллы раствором серной кислоты, маточные растворы объединяют и при необходимости подвергают термообработке или доосаждению, а остаточные сульфокислоты гидролизуют до толуола и серной кислоты с дальнейшей регенерацией кислоты и рециклом толуола.
Стадия сульфирования в модели начинается с узлов смешения свежего компонента с рециклом для толуола и серной кислоты (94 %-й раствор H2SO4). Смешение реализовано блоком MIXER с получением исходной реакционной смеси. После смешения поток направляется в реактор RStoic, в котором заданы основные реакции образования толуолсульфокислот. Принята рабочая температура около 110 °C, что обеспечивает в модели режим, соответствующий кипению толуола и воды при атмосферном давлении. Толуол и вода отгоняются в насадку, где происходит разделение фаз, и толуол возвращается обратно в реакционную смесь.
После реактора смесь подвергается охлаждению и направляется в узел фазового разделения. Задача первой стадии разделения – вернуть толуол в рецикл и отделить водно-сернокислую фазу, содержащую образовавшиеся сульфокислоты. В Aspen Plus это реализовано c помощью холодильника и сепаратора. После сульфирования при охлаждении смесь приобретает выраженную двухфазность, где органическая фаза обогащена толуолом, а кислотная фаза содержит H2SO4, воду и растворенные толуолсульфокислоты.
Для удобного выделения гидрата концентрацию серной кислоты целесообразно доводить до 60–75 %, т. к. в первом шаге обычно кристаллизуют не весь возможный продукт (ограничиваются уровнем, обеспечивающим хорошую фильтрацию), а затем проводят промывку кристаллов раствором серной кислоты [5]. Подготовка раствора к кристаллизации в модели реализована через узел смешения с водой, что позволяет регулировать массовую долю H2SO4 до требуемого диапазона. Охлаждение приводит к кристаллизации моногидрата п-ТСК (п-ТСК·H2O).
Кристаллизация п-ТСК·H2O реализована через блок RStoic, работающий при температуре 25 °C, где задано превращение растворенной п-ТСК в твердый моногидрат с потреблением стехиометрического количества воды. Это допущение удобно тем, что автоматически соблюдает ограничение по воде: количество образуемого моногидрата не может превышать количество доступной воды (в молях). Далее суспензия направляется на фильтр (модель FILTER в режиме solids separator), где задается разделение твердой и жидкой фаз с указанием доли твердого вещества, уходящего в осадок, и удержания жидкости в осадке. Полученный осадок затем поступает на стадию промывки. Промывку целесообразно вести раствором 80 % серной кислоты в минимально достаточном количестве, чтобы эффективно удалить растворенные изомерные примеси, но не растворять существенную часть продукта и существенно не увеличивать объем маточных растворов.
В модели промывка реализована как смешение осадка с промывочной кислотой при контролируемой температуре, после чего смесь поступает на второй фильтр для отделения промытого продукта от промывного фильтрата.
Маточные растворы после первой и второй фильтрации содержат смесь серной кислоты, воды и растворенных изомерных толуолсульфокислот. В патенте [4] предложено объединять маточный раствор и промывные стоки, затем проводить термообработку (в диапазоне 120–160 °C с выдержкой по времени) и повторную кристаллизацию гидрата, а остаточный маточник при необходимости гидролизовать с получением толуола и серной кислоты, которые возвращаются в процесс после регенерации кислоты, также допускается слив небольшой доли кислоты для предотвращения накопления органических примесей.
В данной работе реализован вариант, где маточные растворы после отделения продукта направляются не на отдельную стадию кристаллизации, а в узел регенерации, где растворенные толуолсульфокислоты расщепляются гидролизом до толуола и серной кислоты, так было сделано, т. к. по материальному балансу схемы количество п-ТСК было небольшим. Гидролиз возвращает толуол и восстанавливает кислоту, снижая потребность в свежих реагентах, а риск накопления органических примесей контролируется делителем потока (SP1), который выводит часть потока (Purge) из схемы.
Узел гидролиза в Aspen реализован реактором RStoic при повышенной температуре – 185 °C, где задана обратная реакция гидролиза толуолсульфокислот с образованием толуола и серной кислоты. Далее реакционную смесь разделяют на две фазы: толуол возвращают в реактор (R1), а серную кислоту концентрируют до 94 % при пониженном давлении и возвращают на стадию синтеза.
Материальный баланс схемы
Материальный баланс схемы составлен для одного производственного цикла, который в рамках принятой периодической постановки соответствует суточной работе установки. В качестве входных потоков в схему подаются толуол, раствор серной кислоты и вода, необходимая для поддержания требуемой концентрации кислотной среды.
Выходные потоки представлены целевым продуктом и водными потоками, а также потоком PURGE, который необходимым для предотвращения накопления органических примесей в замкнутом кислотном контуре. В продуктовом потоке (PROD) выводится основная масса п-ТСК в форме моногидрата, содержание п-ТСК·H2O 98,9 масс. %. В таблице представлен материальный баланс входящих и выходящих с установки потоков.
Материальный баланс схемы получения п-толуолсульфокислоты
The material balance of the scheme for obtaining p-toluenesulfonic acid
|
Параметр |
Входные потоки |
Выходные потоки |
|||||||
|
SUL-AC-N |
TOL-N |
H2O-1 |
14 |
H2O-2 |
H2O-W |
PROD |
25 |
PURGE |
|
|
Температура, °С |
25 |
25 |
25 |
25 |
25 |
30 |
25 |
99,61 |
25 |
|
Давление, Па |
101 325 |
101 325 |
101 325 |
101 325 |
101 325 |
101 325 |
101 325 |
26 000 |
101 325 |
|
Массовый |
0 |
298,75 |
0 |
0 |
0 |
0,05 |
0,07 |
0,90 |
6,78 |
|
Массовый |
248,56 |
0 |
0 |
80,00 |
0 |
0 |
4,18 |
0,01 |
14,66 |
|
Массовый |
15,87 |
0 |
21,89 |
20,00 |
51,19 |
85,57 |
0,59 |
20,87 |
2,06 |
|
Массовый |
0 |
0 |
0 |
0 |
0 |
0 |
1,43 |
0 |
0 |
|
Массовый |
0 |
0 |
0 |
0 |
0 |
0 |
599,08 |
0 |
0 |
|
Массовый |
264,43 |
298,76 |
21,89 |
100,00 |
51,19 |
85,63 |
605,36 |
21,79 |
23,49 |
|
Суммарный |
736,27 |
||||||||
Суммарные значения массового расхода, кг/цикл, показывают, что общая масса входящих потоков сопоставима с суммарной массой выходящих потоков. Значительная часть реагентов находится в циркуляции и возвращается в процесс, тогда как из схемы выводится преимущественно целевой продукт и вода.
Заключение
Предложенная технологическая схема в Aspen Plus обеспечивает высокий уровень замыкания материальных потоков за счет возврата толуола и регенерированной серной кислоты в стадию синтеза. Такое построение контура приводит к минимизации образования отходов и снижению суммарной потребности в свежем сырье, прежде всего, в толуоле и серной кислоте, что является ключевым преимуществом схемы при пилотном и последующем промышленном масштабировании.
Модель демонстрирует принципиальную реализуемость получения и выделения п-ТСК без применения дополнительных органических растворителей (например соляной кислоты, этанола и др.). Отказ от вспомогательных растворителей сокращает число стадий разделения и регенерации.
При построении расчетной схемы использованы допущения, обусловленные ограниченной доступностью термодинамических данных, прежде всего, по растворимости моногидрата п-ТСК в водно-сернокислых растворах. Несмотря на это, выбранный подход позволяет корректно рассчитать материальные потоки.
Для перехода от расчетной оценки к точному прогнозированию выхода кристаллов и характеристик кристаллизации как функции температуры, концентрации H2SO4 и времени выдержки необходимы экспериментальные данные по растворимости и кинетике кристаллизации п-ТСК·H2O в соответствующих маточных растворах. Наличие таких данных позволит заменить принятые упрощающие предпосылки более строгим описанием твердожидкого равновесия и обеспечить повышенную точность расчета.
1. Baghernejad B. Application of p-toluenesulfonic Acid (PTSA) in Organic Synthesis. Current Organic Chemistry, 2011, vol. 15, no. 17, pp. 3091-3097. DOIhttps://doi.org/10.2174/138527211798357074.
2. Pal S., Das D., Bhunia S. P-toluenesulfonic acid-promoted organic transformations towards generation of molecular complexity. Organic & Biomolecular Chemistry, 2024, vol. 22, no. 8, pp. 1527-1579. DOIhttps://doi.org/10.1039/D3OB01766D.
3. Jiang R. S. CLT acid producing method acidic dis-charge. Patent CN, no. CNA2008100090021A, 16.07.2008.
4. Arndt O., Mees B. Process for the preparation of isomer-free toluene-4-sulfonic acid. Patent US, no. US06/100,462, 30.12.1980.
5. Zhao W., Zou W., Liu T., Zhang F.-B., Zhang G.-L., Xia Q. Solubilities of p-toluenesulfonic acid monohydrate and sodium p-toluenesulfonate in aqueous sulfuric acid solutions and its application for preparing sodium p-toluenesulfonate. Industrial & Engineering Chemistry Research, 2013, vol. 52, no. 51, pp. 18466-18471. DOIhttps://doi.org/10.1021/ie403228w.



